6303/C3 HRB

Sku: 6303/C3-HRB
Thương hiệu: HRB
Tình trạng: Còn hàng
Vòng bi cầu HRB, loại không có nắp chắn mỡ
THÔNG TIN CƠ BẢN
Thương hiệu HRB
Ký hiệu sản phẩm 6303/C3 HRB
Nước xuất xứ China
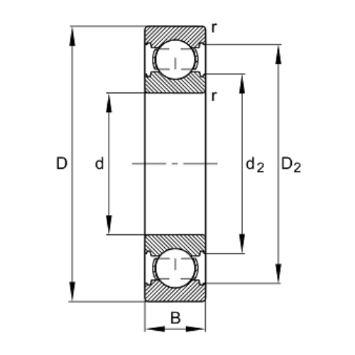
KÍCH THƯỚC VÀ TRỌNG LƯỢNG
Đường kính trong d 17 (mm)
Đường kính ngoài D 47 (mm)
Bề dày B 14 (mm)
Trọng lượng 0.116 (kg)
ĐẶC TÍNH SẢN PHẨM
Kiểu lỗ Lỗ thẳng (Lỗ hình trụ)
Vòng cách Vòng cách thép hoặc vòng cách tiêu chuẩn, dẫn hướng bằng con lăn.
Thiết kế bên ngoài Ca ngoài hình trụ
Khe hở hướng kính /C3: Khe hở hướng kính lớn hơn tiêu chuẩn CN
Cấp chính xác /PN (/P0): Cấp chính xác tiêu chuẩn (được lược bỏ) - ISO
THÔNG TIN TỪ NHÀ SẢN XUẤT
Tải trọng tĩnh Cr 13.5 (kN)
Tải trọng động Cor 6.55 (kN)
Tốc độ tới hạn bôi trơn bằng mỡ 16000 (v/ph)
Tốc độ tới hạn bôi trơn bằng dầu 19000 (v/ph)
Ý NGHĨA HẬU TỐ
C3 /C3: Khe hở hướng kính lớn hơn tiêu chuẩn CN

Sản phẩm bạn đã xem

popup

Số lượng:

Tổng tiền:

Xin chào
close nav
DANH MỤC
DANH MỤC SẢN PHẨM