61828TN HRB

Sku: 61828TN-HRB
Thương hiệu: HRB
Tình trạng: Còn hàng
Vòng bi cầu HRB, loại không có nắp chắn mỡ
THÔNG TIN CƠ BẢN
Thương hiệu HRB
Ký hiệu sản phẩm 61828TN HRB
Nước xuất xứ China
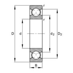
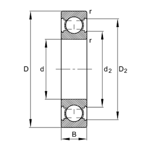
KÍCH THƯỚC VÀ TRỌNG LƯỢNG
Đường kính trong d 140 (mm)
Đường kính ngoài D 175 (mm)
Bề dày B 18 (mm)
Trọng lượng 0.828 (kg)
ĐẶC TÍNH SẢN PHẨM
Kiểu lỗ Lỗ thẳng (Lỗ hình trụ)
Vòng cách TN: Vòng cách đúc bằng nhựa Polyamide 66, dẫn hướng bằng con lăn
Thiết kế bên ngoài Ca ngoài hình trụ
Khe hở hướng kính /CN (/C0): Khe hở hướng kính tiêu chuẩn (được lược bỏ)
Cấp chính xác /PN (/P0): Cấp chính xác tiêu chuẩn (được lược bỏ) - ISO
THÔNG TIN TỪ NHÀ SẢN XUẤT
Tải trọng tĩnh Cr 34 (kN)
Tải trọng động Cor 36.5 (kN)
Tốc độ tới hạn bôi trơn bằng mỡ 3400 (v/ph)
Tốc độ tới hạn bôi trơn bằng dầu 4000 (v/ph)
Ý NGHĨA HẬU TỐ
TN TN: Vòng cách đúc bằng nhựa Polyamide 66, dẫn hướng bằng con lăn

Sản phẩm bạn đã xem

popup

Số lượng:

Tổng tiền:

Xin chào
close nav
DANH MỤC
DANH MỤC SẢN PHẨM