6022-ZNR/C3 HRB

Sku: 6022-ZNR/C3-HRB
Thương hiệu: HRB
Tình trạng: Còn hàng
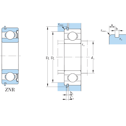
Vòng bi cầu rãnh sâu một dãy HRB có rãnh phanh và phanh trên ca ngoài cùng với nắp chắn mỡ phía đối diện
THÔNG TIN CƠ BẢN
Thương hiệu HRB
Ký hiệu sản phẩm 6022-ZNR/C3 HRB
Nước xuất xứ China
KÍCH THƯỚC VÀ TRỌNG LƯỢNG
Đường kính trong d 110 (mm)
Đường kính ngoài D 170 (mm)
Bề dày B 28 (mm)
Trọng lượng 1.93 (kg)
ĐẶC TÍNH SẢN PHẨM
Kiểu lỗ Lỗ thẳng (Lỗ hình trụ)
Nắp chắn mỡ -Z: Một phớt chắn mỡ không tiếp xúc bằng thép
Vòng cách Vòng cách thép hoặc vòng cách tiêu chuẩn, dẫn hướng bằng con lăn.
Thiết kế bên ngoài NR: Một rãnh phanh và phanh ở vòng ngoài
Khe hở hướng kính /C3: Khe hở hướng kính lớn hơn tiêu chuẩn CN
Cấp chính xác /PN (/P0): Cấp chính xác tiêu chuẩn (được lược bỏ) - ISO
Mã vòng phanh NR170
THÔNG TIN TỪ NHÀ SẢN XUẤT
Tải trọng tĩnh Cr 75.1 (kN)
Tải trọng động Cor 67.3 (kN)
Tốc độ tới hạn bôi trơn bằng mỡ 3800 (v/ph)
Tốc độ tới hạn bôi trơn bằng dầu 4500 (v/ph)
Ý NGHĨA HẬU TỐ
Z -Z: Một phớt chắn mỡ không tiếp xúc bằng thép
NR NR: Một rãnh phanh và phanh ở vòng ngoài
C3 /C3: Khe hở hướng kính lớn hơn tiêu chuẩn CN

Sản phẩm bạn đã xem

popup

Số lượng:

Tổng tiền:

Xin chào
close nav
DANH MỤC
DANH MỤC SẢN PHẨM